Utilizar un buen sistema de retorno de condensado en paralelo con el agua de reposición para la alimentación de la caldera mejora la eficiencia y reduce los costos de las siguientes maneras:
- El condensado ha pasado por el proceso de tratamiento químico de la caldera. Al devolver el condensado al desaireador de la caldera o al sistema de agua de alimentación, se reduce la cantidad total de sólidos disueltos (TDS) en el sistema. Esto puede resultar en una menor necesidad de tratamiento químico y puede reducir la pérdida de purga.
- Cuando el condensado se devuelve al desaireador de la caldera o al sistema de agua de alimentación, su temperatura varía de 55°C a 104°C dependiendo de la longitud del sistema de retorno y otros factores. Esta temperatura de retorno es mucho mayor que las temperaturas promedio del agua de alimentación y del agua de reposición (15°C a 25°C). Un sistema de retorno de condensado puede reducir significativamente la cantidad de dinero necesaria para generar vapor.
- Otro beneficio de un sistema de retorno de condensado es que puede reducir la cantidad de agua de reposición necesaria en tu caldera, ayudando a reducir el uso de agua y mejorando los ahorros.

¿Cómo mejorar tus sistemas de retorno de condensado?
Dimensionamiento correcto de las tuberías de condensado
El dimensionamiento correcto de la tubería de retorno de condensado es crucial para mantener la eficiencia del sistema de vapor. Si las tuberías son demasiado pequeñas, pueden causar restricciones en el flujo de condensado, lo que puede llevar a la acumulación de condensado en las líneas de vapor. Esto puede resultar en una reducción de la eficiencia del intercambio de calor y un aumento en el consumo de energía.
El retorno adecuado del condensado permite reutilizar el calor residual en el condensado, mejorando la eficiencia energética del sistema. Esto es crítico en plantas donde la optimización del consumo de energía es una prioridad para reducir costos operativos y el impacto ambiental.
En sistemas con largos recorridos de tuberías las pérdidas de presión y la posibilidad de enfriamiento del condensado son mayores. Un dimensionamiento adecuado ayuda a mantener la eficiencia y la integridad del sistema.
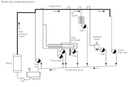
Auditoría de trampas de vapor
El condensado se descarga del equipo a través de trampas de vapor. Una trampa de vapor simplemente permite que el condensado (vapor condensado, también conocido como agua) pase mientras retiene (o atrapa) el vapor. Esto asegura que el vapor que aún no ha liberado su energía permanezca en el sistema mientras el condensado se elimina.
Como puedes imaginar, una trampa de vapor que funcione mal o esté dimensionada incorrectamente puede causar estragos en tu sistema de retorno de condensado. Una trampa de vapor defectuosa puede quedarse abierta o cerrada. Como una de las pocas partes móviles en tu sistema de vapor, es importante realizar encuestas regulares de trampas de vapor. Al asegurarte de que las trampas de vapor estén dimensionadas adecuadamente y funcionando correctamente, puedes mantener tu sistema de retorno de condensado operando eficientemente. Una trampa de vapor defectuosa puede resultar en golpes de ariete (ruidos fuertes). Los golpes de ariete excesivos pueden resultar en tuberías rotas, soportes, válvulas y otros accesorios de tuberías.
Nota: Las trampas de alta presión deben probarse trimestralmente.
Captura del vapor flash
Después de que el condensado pasa a través de una trampa de vapor, se produce un cambio de presión. Esto hace que parte del condensado se convierta en vapor flash. Esta es otra área donde muchas empresas pueden estar perdiendo dinero. Si este vapor flash se ventea a la atmósfera, estás perdiendo los valiosos BTUs que contiene. En su lugar, recoge el vapor en un tanque flash y úsalo para calentamiento en algún proceso. Asegúrate también de recuperar cualquier condensado generado cuando el vapor flash libera su energía y úsalo también.
Detectar fugas y corrosión
Las tuberías de condensado tienen que lidiar con una mayor concentración de ácido carbónico que el resto del sistema. Esto se debe a que el CO2 se disuelve más fácilmente en el condensado enfriado. Esto puede llevar a la corrosión del acero, lo que eventualmente puede provocar fugas. Monitorea tu sistema en busca de fugas y repara cualquier fuga que encuentres inmediatamente para asegurar que los ahorros no se escapen por tus tuberías.
Aislar tus tuberías y válvulas
Según el Departamento de Energía de EE. UU.: “El aislamiento puede reducir típicamente las pérdidas de energía en un 90% y ayudar a asegurar la presión adecuada del vapor en el equipo de la planta. Cualquier superficie por encima de 55°C debe aislarse, incluyendo superficies de calderas, tuberías de vapor y de retorno de condensado, y accesorios.”
Cuanto mejor puedas ayudar a que el condensado retenga su calor, más eficiente será tu sistema. Por eso, el aislamiento es imperativo. Permite que el condensado mantenga su calor por más tiempo, lo que resulta en menos trabajo para la caldera y, en última instancia, te ahorra dinero.
Revisa todo tu sistema y asegúrate de que todas las tuberías estén aisladas. Repara cualquier área no aislada para asegurarte de que no estás perdiendo grandes cantidades de calor a medida que el condensado regresa.
